DIGITÁLIS SZÁMÍTÓGÉPEK
Programozott tananyag a számítástechnika tanításához és tanulásához.
Menü
Informatika
Webfejlesztés
Tehetséggondozás
Keresés
Informatika
Webfejlesztés
Tehetséggondozás
Hírek, információk
Szerkesztők
Programozott tananyag
Kódok, digitális jelátvitel
Logikai alapismeretek
A logikai algebra alapjai
A logikai függvények egyszerűsítése
Logikai áramkörök
Integrált áramköri kapuk
Összetett kombinációs hálózatok
Bevezetés
Dekódoló áramkörök
Kódoló áramkörök
Kiválasztó áramkörök
Elosztó áramkörök
Nagyság-komparátorok
Két bit egyenlőségének vizsgálata
Több bites szám
Kisebb, nagyobb
Kétbites teljes összehasonlítás
TTL négybites nagyság-komparátor
Hosszabb számok összehasonlítása
Nagyság-komparátorok F1
Nagyság-komparátorok F2
Nagyság-komparátorok F3
Nagyság-komparátorok F4
Nagyság-komparátorok F5
Nagyság-komparátorok F6
Tároló alapáramkörök
Sorrendi logikai hálózatok
Számláló áramkörök
Léptetőregiszterek
Információk
Archívum
Oldaltérkép
Bejelentkezés
FONTOS!
Digitális oktatás
1. osztályos onlie tananyag
Az oldalt készíti:
Gál Tamás
mérnök-tanár
gtportal.eu
Google +
Weboldal készítés árak
Webáruház bérlés 2000 Ft
Online pláza
Blogmotorunk:
W3Suli blogmotor
Felhasznált tananyag:
Webáruház készítés
Egyéb
Online látogatók:44
Eddigi látogatóink száma:1559323
FÍZETETT HÍRDETÉS
VISSZA
MENÜ
TOVÁBB
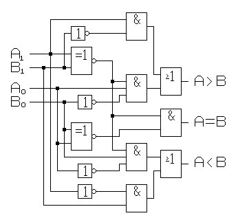
Kétbites teljes összehasonlítás
Kétbites számok teljes összehasonlítása
A kétbites számok teljes összehasonlítását végző komparátor logikai vázlata az ábrán látható.
Ahogy a legtöbb honlap, ez a webhely is használ sütiket a weboldalain.
Elfogadom