DIGITÁLIS SZÁMÍTÓGÉPEK
Programozott tananyag a számítástechnika tanításához és tanulásához.
Menü
Informatika
Webfejlesztés
Tehetséggondozás
Keresés
Informatika
Webfejlesztés
Tehetséggondozás
Hírek, információk
Szerkesztők
Programozott tananyag
Kódok, digitális jelátvitel
Logikai alapismeretek
A logikai algebra alapjai
A logikai függvények egyszerűsítése
Logikai áramkörök
Integrált áramköri kapuk
Összetett kombinációs hálózatok
Tároló alapáramkörök
Sorrendi logikai hálózatok
Számláló áramkörök
Léptetőregiszterek
Léptetőregiszterek felépítése
A léptetőregiszterek felépítése
A léptetőregiszterek F1
A léptetőregiszterek F2
A léptetőregiszterek csoportosítása
Soros információ-beírás
Párhuzamos információ-beírás
Szinkron üzemű párhuzamos beírás
Integrált áramköri léptetőregiszterek
A léptetőregiszterek alkalmazása
A léptetőregiszterek F3
A léptetőregiszterek F4
Gyűrűs számlálók
Kódátalakítás
Információk
Archívum
Oldaltérkép
Bejelentkezés
FONTOS!
Digitális oktatás
1. osztályos onlie tananyag
Az oldalt készíti:
Gál Tamás
mérnök-tanár
gtportal.eu
Google +
Weboldal készítés árak
Webáruház bérlés 2000 Ft
Online pláza
Blogmotorunk:
W3Suli blogmotor
Felhasznált tananyag:
Webáruház készítés
Egyéb
Online látogatók:45
Eddigi látogatóink száma:1559318
FÍZETETT HÍRDETÉS
VISSZA
MENÜ
ISMÉT
TOVÁBB
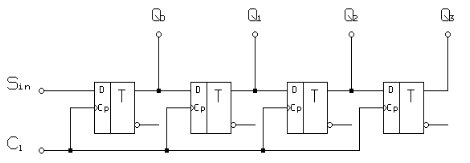
A léptetőregiszterek F2
Írja be a táblázatba az egyes kimenetek értékeit!
Ha a soros bemenetre
(Si) 1 0 1 0
jelsorozat érkezik!
T
Q
0
Q
1
Q
2
Q
3
t
0
x
x
x
x
t
1
1
x
x
x
t
2
0
1
x
x
t
3
t
4
Ahogy a legtöbb honlap, ez a webhely is használ sütiket a weboldalain.
Elfogadom