Példaként tervezzünk meg egy kétkimenetű és egybemenetű szinkron sorrendi hálózatot.
 |
állapottáblázat
| Y | X |
| X0 | X1 |
| X=0 | X=1 |
| Y0 | Z1 | Z1 |
| Y1 | Z2 | Z0 |
| Y2 | Z3 | Z1 |
| Y3 | Z0 | Z0 |
|
Az X0 bemeneti kombinációnál (x=0) a Z0-Z1-Z2-Z3
kimeneti kombinációsorozatot, míg az X1-nél (x=1) pedig a Z0-Z1-Z0-Z1 sorozatot kell előállítanunk.
A működést az állapottáblázat írja le.
A feladatnál a kimenetek kombinációi (Zi) - a közvetlen visszacsatolás miatt – egyúttal az állapotjelek kombinációi is (Yi=Zi), tehát az állapottáblázatban nem kell külön felírni a két kombinációt.
A hálózat állapotainak száma 4. Ehhez k=2 db tároló elem szükséges. Használjunk T típusú ms flip-flop-okat.
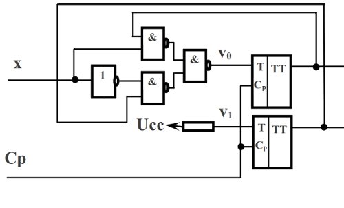
A hálózat elvi blokkvázlata az ábra szerinti.
A kimenetijel-kombinációk Z0..Z3.
A v0 és v1 vezérlőjelek szükséges értékét az alkalmazott flip-flop típusnak megfelelően kell megállapítani.
| Y | X |
| 0 | 1 |
| z0 zi | v0 v1 | v0 v1 |
| 0 0 | 0 1 | 0 1 |
| 0 1 | 1 1 | 0 1 |
| 1 0 | 0 1 | 1 1 |
| 1 1 | 1 1 | 1 1 |
| v0 |
| x |
z0 z1 |
| 00 | 01 | 10 | 11 |
| 0 | | 1 | 1 | |
| 1 | | | 1 | 1 |
|
| v1 |
| x |
z0 z1 |
| 00 | 01 | 10 | 11 |
| 0 | 1 | 1 | 1 | 1 |
| 1 | 1 | 1 | 1 | 1 |
|
Az állapottáblázatból mind v0-ra, mind pedig v1-re felírható egy-egy háromváltozós Karnaugh-diagram. Ezek segítségével pedig a kombinációs hálózat már megtervezhető.
A két vezérlőjel logikai függvénye:
A kitűzött sorrendi feladatot megvalósító áramkör logikai vázlata az a. ábra szerinti.
A b. ábrán az órajel (Cp), valamint a be- (x) és kimenetek (z0, z1) jeleinek időfüggvénye látható.